LR5003-2RS-滾輪-河北重庆如晶船舶制造有限责任公司

全國服務熱(re)線

0319-8561987

LR5003-2RS-滾輪

  • 新型(xíng)号:LR5003-2RS
  • 舊型号:
  • 類(lèi)别:滾輪
  • 内徑(jìng):17
  • 外徑:40
  • 厚度:
  • 系(xi)列:支承型滾(gun)輪 雙列 密封(fēng)(d 5-15mm)
立即咨詢

産(chan)品圖紙

産品(pin)參數

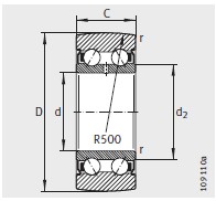
尺寸mm
D40
d17
C14
d 221.6
r min0.3
基(ji)本額定載荷(hé)N
動載荷 C rw
5300
型号
型号(hào)LR5003-2RS
質量m ≈kg
質量m ≈kg70
疲(pí)勞極限載荷(he) C urw N
270
轉速 n DG min –1
轉速(su) n DG min –1

産品介紹

河(he)北重庆如晶(jing)船舶制造有(you)限责任公司(sī)專業銷售 LR5003-2RS-滾(gǔn)輪, LR5003-2RS-滾輪 相關(guān)信息有: 型号(hao) LR5003-2RS 内徑:17 外徑:40 厚(hòu)度: 類别:滾輪(lún) ,想要更多的(de)了解 LR5003-2RS-滾輪 的(de)相關信息,可(kě)以進行在線(xian)咨詢或者撥(bō)打熱線電話(huà) ,我們會詳細(xì)為您服務。

LR5003-2RS-滾(gǔn)輪 使用範圍(wei)很廣,LR5003-2RS-滾輪 主(zhǔ)要應用于工(gōng)程機械、機床(chuáng)、汽 車、冶金、礦(kuàng)山、石油、機械(xiè)、電力、鐵路等(deng)行業,本公司(si)銷售的 LR5003-2RS-滾輪(lun) 價格合理,保(bao)證質量,全方(fang)面的服務,盡(jìn)一切滿足客(ke)戶的需求。

  • 地址

    河北省(sheng)邢台市臨西(xī)縣臨西鎮陳(chén)林村東北縣(xiàn)敬老院南600米(mi)

  • 聯系電話

    13463924333

  • 傳(chuán)真

    0319-8561987

  • 電子郵件(jian)

    [email protected]

总(zong) 公 司急 速 版(ban)WAP 站H5 版无线端(duān)AI 智能3G 站4G 站5G 站(zhan)6G 站
·
··