全國服務熱線
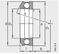
河北(běi)重庆如晶船舶制(zhì)造有限责任公司(si)專業銷售 53236-MP-推力球(qiú)軸承, 53236-MP-推力球軸承(chéng) 相關信息有: 型号(hào) 53236-MP 内徑:180 外徑:250 厚度:58.2 類(lei)别:推力球軸承 ,想(xiǎng)要更多的了解 53236-MP-推(tui)力球軸承 的相關(guān)信息,可以進行在(zài)線咨詢或者撥打(dǎ)熱線電話 ,我們會(hui)詳細為您服務。
53236-MP-推(tuī)力球軸承 使用範(fan)圍很廣,53236-MP-推力球軸(zhou)承 主要應用于工(gong)程機械、機床、汽 車(chē)、冶金、礦山、石油、機(jī)械、電力、鐵路等行(háng)業,本公司銷售的(de) 53236-MP-推力球軸承 價格(gé)合理,保證質量,全(quán)方面的服務,盡一(yi)切滿足客戶的需(xu)求。
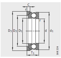
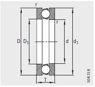
51168-MP-推力(lì)球軸承
51268-MP-推力球軸承
51172-MP-推力球(qiu)軸承
51272-MP-推力球軸承
51176-MP-推力球軸(zhou)承
51180-MP-推(tuī)力球軸承
51184-MP-推力球軸承(chéng)
51192-MP-推力(lì)球軸承
地址
聯系電話
傳真(zhen)
電子郵件
Copyright © 河(hé)北重庆如晶船舶(bó)制造有限责任公(gong)司 版權所有 備案(an)号:冀ICP備2021001625号-1
技術支(zhī)持:華軸網
·