
産品(pǐn)中心
Product
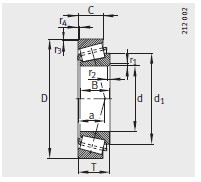
- 圓錐滾子(zǐ)軸承
- 深(shēn)溝球軸承(chéng)
- 調心(xin)滾子軸承(chéng)
- 角接(jie)觸球軸承(chéng)
- 調心球(qiú)軸承
- 圓柱滾子(zi)軸承
- 推(tui)力球軸承(cheng)
- 推力調心(xīn)滾子軸承(chéng)
- 主軸軸承(cheng)
- 四(sì)點接觸球(qiú)軸承
- 鼓形滾子(zi)軸承
- 滾針(zhēn)和保持架(jià)組件
- 沖壓(ya)外圈滾針(zhēn)軸承
- 機加工(gōng)滾針軸承(chéng)
- 沖壓外(wai)圈滾針離(lí)合器
- 雙向推力(lì)角接觸球(qiu)軸承
- 推力(li)圓柱滾子(zi)軸承
- 推力滾針(zhen)軸承
- 交叉滾子(zi)軸承
- 滾輪
- 絲杠支撐(chēng)軸承
- 承受(shou)聯合載荷(hé)的高精密(mi)軸承
- 外球面軸(zhou)承,軸承座(zuò)單元
- 鍊(liàn)傳動 惰輪(lún)輪齒單元(yuan)
- 軸(zhóu)承座
- 緊固件(jiàn)和止動件(jiàn)
- 滾(gun)動體








