全國服務熱線

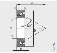
河北(bei)重庆如晶船舶制(zhi)造有限责任公司(sī)專業銷售 7602030-2RS-TVP-絲杠支(zhī)撐軸承, 7602030-2RS-TVP-絲杠支撐(cheng)軸承 相關信息有(you): 型号 7602030-2RS-TVP 内徑:30-0.005 外徑:62-0.007 厚(hòu)度:16-0.12 類别:絲杠支撐(chēng)軸承 ,想要更多的(de)了解 7602030-2RS-TVP-絲杠支撐軸(zhóu)承 的相關信息,可(kě)以進行在線咨詢(xun)或者撥打熱線電(diàn)話 ,我們會詳細為(wei)您服務。
7602030-2RS-TVP-絲杠支撐(cheng)軸承 使用範圍很(hěn)廣,7602030-2RS-TVP-絲杠支撐軸承(cheng) 主要應用于工程(cheng)機械、機床、汽 車、冶(ye)金、礦山、石油、機械(xiè)、電力、鐵路等行業(yè),本公司銷售的 7602030-2RS-TVP-絲(si)杠支撐軸承 價格(ge)合理,保證質量,全(quan)方面的服務,盡一(yī)切滿足客戶的需(xu)求。
傳真
Copyright © 河北重庆如晶(jing)船舶制造有限责(ze)任公司 版權所有(yǒu) 備案号:冀ICP備2021001625号-1


•›
·