全國服務熱線


| 型号(hao) | |
|---|---|
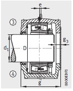
| 軸承座 | SD3144-H-TS-AF-L |
| 軸承 | 23144-B-K-MB |
| 緊定(dìng)套 | H3144X |
| 止動環(件) | - |
| 帶O形(xing)圈的迷宮密封圈(quān)(件) | TS44(1) |
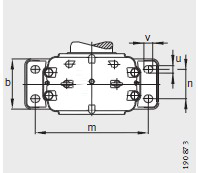
| 尺寸 | |
| d 1 | 200 |
| a | 640 |
| g | 290 |
| h 1 | 435 |
| b | 240 |
| c | 90 |
| D | 370 |
| e | 12 |
| g L | - |
| g 3 | 35 |
| h | 220 |
| m | 540 |
| n | 140 |
| u | 36 |
| v | 42 |
| s mm | M30 |
| s inch | 1 1/8 |
| 質量 m 軸承(chéng)座 ≈kg | |
| 質量 m 軸承座 ≈kg | 135 |
河北重庆(qing)如晶船舶制造有(you)限责任公司專業(ye)銷售 23144-B-K-MB-軸承座, 23144-B-K-MB-軸承(cheng)座 相關信息有: 型(xing)号 23144-B-K-MB 内徑: 外徑: 厚度(dù): 類别:軸承座 ,想要(yào)更多的了解 23144-B-K-MB-軸承(chéng)座 的相關信息,可(ke)以進行在線咨詢(xún)或者撥打熱線電(diàn)話 ,我們會詳細為(wéi)您服務。
23144-B-K-MB-軸承座 使(shi)用範圍很廣,23144-B-K-MB-軸承(chéng)座 主要應用于工(gong)程機械、機床、汽 車(che)、冶金、礦山、石油、機(ji)械、電力、鐵路等行(háng)業,本公司銷售的(de) 23144-B-K-MB-軸承座 價格合理(li),保證質量,全方面(miàn)的服務,盡一切滿(man)足客戶的需求。
地址(zhi)
聯系電話
傳(chuan)真
電子郵件
Copyright © 河北重庆如晶船(chuán)舶制造有限责任(rèn)公司 版權所有 備(bèi)案号:冀ICP備2021001625号-1
技術(shu)支持:華軸網


·
›
•·

