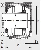
産品(pin)圖紙


| 型号 | |
|---|---|
| 軸(zhóu)承 | SNV140-L |
| 座軸(zhou)承 | 20216-K-TVP-C3 |
| 緊定(ding)套 | H216 |
| 止動(dong)環 2件 | FRM140/16 |
| 雙(shuang)唇密封(fēng)圈 | DH516 |
| 帶O形(xing)圈的 迷(mi)宮密封(feng)圈 | TSV516 |
| 毛氈(zhān)密封 | FSV516 |
| V型(xing)圈 | DHV516 |
| Taconite 密封(feng) | TCV516 |
| 軸承蓋(gài) | DKV140 |
| 尺寸 | |
| d 1 mm | 70 |
| d 1 inch | - |
| a | 315 |
| g | 135 |
| h 1 | 183 |
| b | 90 |
| c | 32 |
| D | 140 |
| g L | 150.3 |
| g v | 143 |
| g T | 176 |
| g 3 | 15 |
| h | 95 |
| m | 260 |
| u | 22 |
| v | 27 |
| s mm | M20 |
| s inch | 3/4 |
| 質(zhi)量m 軸承(chéng)座 ≈kg | |
| 質量(liang)m 軸承座(zuò) ≈kg | 9.3 |
地址(zhi)
傳真
電(diàn)子郵件(jian)


•››·
•
›
·