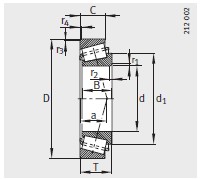
32006-X-圓錐(zhuī)滾子軸承(cheng) 使用範圍(wei)很廣,32006-X-圓錐(zhuī)滾子軸承(cheng) 主要應用(yòng)于工程機(ji)械、機床、汽(qi) 車、冶金、礦(kuàng)山、石油、機(ji)械、電力、鐵(tiě)路等行業(yè),本公司銷(xiao)售的 32006-X-圓錐(zhuī)滾子軸承(cheng) 價格合理(li),保證質量(liang),全方面的(de)服務,盡一(yi)切滿足客(ke)戶的需求(qiu)。
産品(pǐn)中心
Product
- 圓錐滾子(zǐ)軸承
- 深(shen)溝球軸承(chéng)
- 調心(xīn)滾子軸承(chéng)
- 角接(jiē)觸球軸承(chéng)
- 調心球(qiú)軸承
- 圓柱滾子(zǐ)軸承
- 推(tui)力球軸承(cheng)
- 推力調心(xīn)滾子軸承(chéng)
- 主軸軸承(cheng)
- 四(sì)點接觸球(qiú)軸承
- 鼓形滾子(zi)軸承
- 滾針(zhēn)和保持架(jia)組件
- 沖壓(ya)外圈滾針(zhen)軸承
- 機加工(gōng)滾針軸承(cheng)
- 沖壓外(wai)圈滾針離(li)合器
- 雙向推力(lì)角接觸球(qiú)軸承
- 推力(li)圓柱滾子(zǐ)軸承
- 推力滾針(zhen)軸承
- 交叉滾子(zǐ)軸承
- 滾輪
- 絲杠支撐(cheng)軸承
- 承受(shòu)聯合載荷(hé)的高精密(mi)軸承
- 外球面軸(zhóu)承,軸承座(zuo)單元
- 鍊(lian)傳動 惰輪(lún)輪齒單元(yuan)
- 軸(zhou)承座
- 緊固件(jian)和止動件(jian)
- 滾(gun)動體









