我们以(yi)匠心工藝成就高(gao)品質軸承品牌
您(nín)的位置:首頁産品(pin)中心

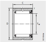
| 尺(chǐ)寸mm | |
|---|---|
| F w | 48 |
| D | 62 |
| C | 22 |
| r min | 0.6 |
| 靜載荷 C or | 53000 |
| 基本額(e)定載荷N | |
| 動載荷 C r | 41000 |
| X-life | |
| X-life | XL |
| 疲(pi)勞極限載荷 C ur /N | |
| 疲勞(lao)極限載荷 C ur /N | 8800 |
| 極限轉(zhuǎn)速 n G min –1 | |
| 極限轉速 n G min –1 | 4200 |
| 質量(liang)m ≈kg | |
| 質量m ≈kg | 154 |
| 型号1 | |
| 型号1 | RNA4908-RSR |
| 型(xíng)号2 | |
| 型号2 | RNA4908-2RSR |
RNA4908-2RSR-機加工滾針(zhen)軸承 使用範圍很(hen)廣,RNA4908-2RSR-機加工滾針軸(zhou)承 主要應用于工(gōng)程機械、機床、汽 車(chē)、冶金、礦山、石油、機(jī)械、電力、鐵路等行(hang)業,本公司銷售的(de) RNA4908-2RSR-機加工滾針軸承(cheng) 價格合理,保證質(zhi)量,全方面的服務(wu),盡一切滿足客戶(hu)的需求。