産品(pǐn)圖紙


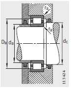
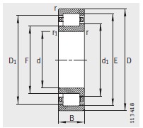
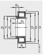
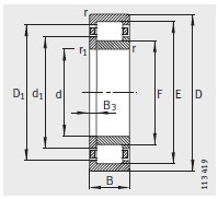
| 尺寸mm | |
|---|---|
| d | 90 |
| D | 190 |
| B | 43 |
| r min | 3 |
| r 1 min | 3 |
| s 1) | 1.5 |
| E | 169.5 |
| F | 113.5 |
| D 1 ≈ | 161.6 |
| d 1 ≈ | 124 |
| B 1 | - |
| B 2 | - |
| B3 | - |
| 安裝(zhuang)尺寸mm | |
| d a min 2) | 104 |
| d a max | 111 |
| d c min | 127 |
| D a max 2) | 176 |
| r a max | 2.5 |
| 基本額(é)定載荷N | |
| 動載(zǎi)荷 C r | 370000 |
| 靜載荷 C or | 350000 |
| 型(xing)号 | |
| 軸承 | NJ318-E-TVP2 |
| X-life | XL |
| L形斜(xie)擋圈 | - |
| 極限轉(zhuǎn)速 n G /min –1 | |
| 極限轉速(su) n G /min –1 | 3400 |
| 參考轉速 n B /min –1 | |
| 參(can)考轉速 n B /min –1 | 3750 |
| 質量(liang) m | |
| 軸承 ≈kg | 5.49 |
| L形斜擋(dǎng)圈 ≈kg | - |
| 疲勞極限(xian)載荷 C ur /N | |
| 疲勞極(jí)限載荷 C ur /N | 55000 |
聯系電話
傳(chuan)真
電子郵件(jian)
Copyright © 河北重庆如(ru)晶船舶制造(zào)有限责任公(gōng)司 版權所有(yǒu) 備案号:冀ICP備(bèi)2021001625号-1


›
·