AH24028-緊固件和止動件-河北重庆如晶船舶制造有限责任公司

全國服務熱線

0319-8561987

AH24028-緊(jǐn)固件和止動件

  • 新(xin)型号:AH24028
  • 舊型号:
  • 類别(bié):緊固件和止動件(jian)
  • 内徑:
  • 外徑:
  • 厚度:
  • 系(xì)列:d 110-150mm
立即咨詢

産品(pǐn)圖紙

産品參數

型(xing)号
型号AH24028
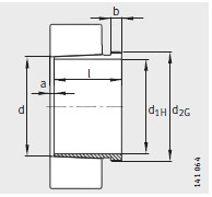
尺寸
d 1H135
d140
l83
a ≈10
b
M145×2
質量(liàng)m ≈
質量m ≈0.96

産品介紹

河(he)北重庆如晶船舶(bo)制造有限责任公(gong)司專業銷售 AH24028-緊固(gù)件和止動件, AH24028-緊固(gù)件和止動件 相關(guan)信息有: 型号 AH24028 内徑(jing): 外徑: 厚度: 類别:緊(jin)固件和止動件 ,想(xiǎng)要更多的了解 AH24028-緊(jin)固件和止動件 的(de)相關信息,可以進(jin)行在線咨詢或者(zhě)撥打熱線電話 ,我(wǒ)們會詳細為您服(fú)務。

AH24028-緊固件和止動(dong)件 使用範圍很廣(guang),AH24028-緊固件和止動件(jian) 主要應用于工程(cheng)機械、機床、汽 車、冶(yě)金、礦山、石油、機械(xie)、電力、鐵路等行業(yè),本公司銷售的 AH24028-緊(jǐn)固件和止動件 價(jià)格合理,保證質量(liàng),全方面的服務,盡(jìn)一切滿足客戶的(de)需求。

  • 地址

    河北省(shěng)邢台市臨西縣臨(lin)西鎮陳林村東北(běi)縣敬老院南600米

  • 聯(lián)系電話

    13463924333

  • 傳真

    0319-8561987

  • 電子(zǐ)郵件

    [email protected]

总 公 司急 速(su) 版WAP 站H5 版无线端AI 智(zhi)能3G 站4G 站5G 站6G 站
 
··