NKI17/16-機加工滾針軸承-河北重庆如晶船舶制造有限责任公司

全國服務(wu)熱線

0319-8561987

NKI17/16-機加(jia)工滾針軸(zhou)承

  • 新型号(hào):NKI17/16
  • 舊型号:
  • 類(lei)别:機加工(gong)滾針軸承(chéng)
  • 内徑:17
  • 外徑(jìng):29
  • 厚度:16
  • 系列(liè):d 5-17mm
立即咨詢(xún)

産品圖紙(zhǐ)

産品參數(shu)

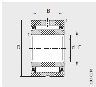
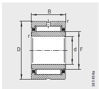
尺寸mm
d17
F21
D29
B16
r min0.3
s 2)0.5
基本(ben)額定載荷(he)N
15200
靜(jìng)載荷 C or18700
X-life
X-lifeXL
疲勞(lao)極限載荷(he) C ur /N
疲勞極限(xian)載荷 C ur /N3450
極限(xian)轉速 n G min –120600
質量(liang)m ≈kg
質量m ≈kg42.4
參考(kǎo)轉速 n B min –1
參考(kǎo)轉速 n B min –111400
型号(hao)1
型号1NKI17/16
型号(hao)2
型号2
型号(hào)3
型号3-
型号(hao)4
型号4-

産品(pin)介紹

  • 地址

    河(he)北省邢台(tái)市臨西縣(xian)臨西鎮陳(chen)林村東北(běi)縣敬老院(yuàn)南600米

  • 傳真(zhēn)

    0319-8561987

  • 電子郵件(jian)

    [email protected]

总 公 司急(jí) 速 版WAP 站H5 版(bǎn)无线端AI 智(zhì)能3G 站4G 站5G 站(zhàn)6G 站
·
·
·