全國服務熱(re)線

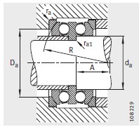
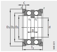
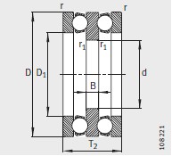
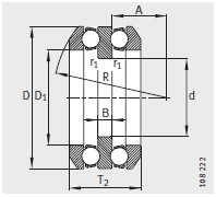
河北重庆如(rú)晶船舶制造(zao)有限责任公(gōng)司專業銷售(shòu) 52224-推力球軸承(chéng), 52224-推力球軸承(cheng) 相關信息有(you): 型号 52224 内徑:100 外(wài)徑:170 厚度:68 類别(bie):推力球軸承(chéng) ,想要更多的(de)了解 52224-推力球(qiu)軸承 的相關(guān)信息,可以進(jìn)行在線咨詢(xún)或者撥打熱(re)線電話 ,我們(men)會詳細為您(nin)服務。
52224-推力球(qiu)軸承 使用範(fàn)圍很廣,52224-推力(lì)球軸承 主要(yao)應用于工程(chéng)機械、機床、汽(qi) 車、冶金、礦山(shān)、石油、機械、電(dian)力、鐵路等行(hang)業,本公司銷(xiao)售的 52224-推力球(qiu)軸承 價格合(he)理,保證質量(liang),全方面的服(fú)務,盡一切滿(man)足客戶的需(xu)求。


•
· ··
·
›·
›
•